These new eGAN FETs are part of an expanding group of components. We recently covered the EPC2215 and the EPC2207, which are 200 volt devices. Alex Lidow, EPC’s co-founder and CEO commented, “With the clear superiority of these new 100 V eGaN FETs, one might expect them to be priced at a premium. GAN TRANS 200V 8MOHM BUMPED DIE. $8.36000: 9,074 - Immediate. 917-1218-6-ND. Tape & Reel (TR) Cut Tape. EPC2215 200V8mΩ, 42A 4.6 x 1.6 LGA March EPC2204 100V5mΩ 2.5 x 1.5 LGA March EPC2207 200V22mΩ, 13A 2.8 x 0.95 LGA April. Www.epc-co.com 34.


The EPC2215 (8 mΩ, 162 Apulsed) and the EPC2207 (22 mΩ, 54 Apulsed) are about half the size of the prior generation 200 V eGaN devices and double the performance. The performance advantage over a benchmark silicon device is even higher. The EPC2215 has. BOARD DEV EPC2215 200V EGAN FET. EPC 991,56000 kr Details. EPC2110 GANFET 2NCH 120V 3.4A DIE. EPC 19,79000 kr Details.


EPC advances the performance capability while lowering the cost of off-the-shelf gallium nitride transistors with the introduction of the EPC2215 and EPC2207 200 V eGaN FETs. The applications for these leading-edge devices include class D audio, synchronous rectification, solar MPPTs (maximum power point tracker), DC-DC converters (hard-switched and resonant), and multilevel high voltage converters.

The EPC2215 (8 mΩ, 162 Apulsed) and the EPC2207 (22 mΩ, 54 Apulsed) are about half the size of the prior generation 200 V eGaN devices and double the performance. The performance advantage over a benchmark silicon device is even higher. The EPC2215 has 33% lower on-resistance, yet is 15 times smaller in size. Gate charge (QG) is ten times smaller than the silicon MOSFET benchmark with the new technology, and like all eGaN FETs, there is no reverse recovery charge (QRR) enabling lower distortion class D audio amplifiers as well as more efficient synchronous rectifiers and motor drives.
Office 2019 mac cracked. Performance comparison of benchmark silicon 200 V FET vs. 200 V eGaN FETs
Epc2214
According to Alex Lidow, EPC’s co-founder and CEO, “This latest generation of eGaN FETs achieve higher performance in a smaller, more thermally efficient size, and at a comparable cost to traditional MOSFETs. The inevitable displacement of the aging power MOSFET with GaN devices is becoming clearer every day.”
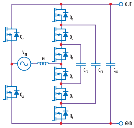
EPC worked in collaboration with Semiconductor Power Electronics Center (SPEC) at University of Texas at Austin to develop a 400 V, 2.5 kW-capable eGaN FET-based four-level flying capacitor multilevel bridgeless totem-pole rectifier that is suitable for data center applications using the new EPC2215 200 V device. Professor Alex Huang from the University of Texas at Austin commented that, “the advantageous characteristics of eGaN FETs allowed this converter to achieve high power density, ultra-high efficiency, and low harmonic distortion.”
Epc2215
Pricing for products and related development and reference design boards are noted in the table below. All products and boards are available from Digi-Key
Egan Fet
You may also like:
